在国家全面推进质量强国建设、加快消费品标准升级的背景下,陶瓷砖行业迎来历史性变革。2025年9月,国家标准化管理委员会正式发布GB/T 45817-2025《消费品质量分级 陶瓷砖》国家标准,并明确该标准将于 2025年12月1日起正式实施。


这是我国首次在陶瓷砖领域建立 3A、4A、5A三级质量分级体系,终结长期以来“优等品”模糊不清的行业乱象,推动建陶产业从“合格导向”迈向“品质分级”新阶段。
在这场关乎行业未来的品质革命中,大将军瓷砖作为中国建陶领军品牌,已率先通过国家5A最高等级质量认证,成为首批获得官方权威背书的标杆企业!

01 真正的5A,需经得起科学检验
在近期的活动中,将军陶瓷集团瓷砖事业部总经理刘小磊强调:“5A不是营销标签,而是对用户长期使用体验的郑重承诺。”
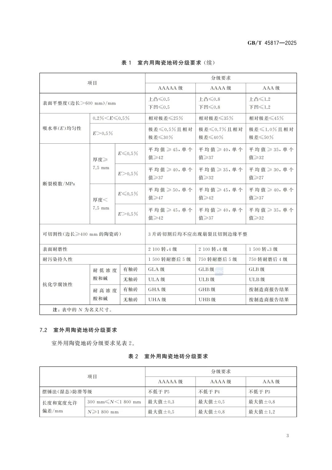
需要明确的是,GB/T 45817-2025《消费品质量分级 陶瓷砖》是一项推荐性国家标准,并非强制执行。正因如此,主动对标并获得5A认证,更体现企业的品质自觉与责任担当。该标准首次构建了一套可量化、可验证、可横向比较的质量分级体系。要真正获得“5A”评级,产品必须在五大核心指标上全部达到最优等级,且由具备CNAS资质的国家级检测机构出具正式检测报告。


▲GB/T 45817-2025《消费品质量分级 陶瓷砖》
这意味着,市面上任何仅凭宣传自称“5A”的产品,若无权威检测报告背书,本质上只是概念包装。而大将军瓷砖的5A认证,是经国家认可实验室实测验证的硬核实力,是对“耐用”承诺最扎实的兑现。

02 22年品质坚守,铸就5A硬核支撑
大将军瓷砖之所以能成为首批通过国家5A陶瓷砖质量认证的标杆企业,绝非偶然——这背后是22年如一日对品质的执着坚守,更是对“标准即底线、品质即承诺”这一理念的深度践行。
智能工厂:硬核制造能力支撑高标准

自创立以来,大将军瓷砖始终坚持品质为基,重磅引进世界一流先进生产设备,宽体窑炉、万吨大压机、西斯特姆高清打印喷墨机、5层快速干燥设备、全自动砖坯储存系统和打包线等高端装备,依托顶尖的科技硬件,以智能化、数学化、精密化制造实力为核心支撑,深度赋能生产链条革新,打造兼具技术壁垒与效率优势的新质生产力。



正如品牌所坚持的“专注耐科技,做耐用瓷砖”理念,这些先进制造能力并非仅为提升效率,更是为践行对用户的长期承诺:让每一片出厂的瓷砖,都经得起时间与标准的双重检验,为新国标5A的真正落地提供坚实支撑。
耐用体系:从卖材料到交付解决方案
今年4月,大将军瓷砖正式启动品牌战略全面升级,确立 “专注耐科技,做耐用瓷砖” 的全新定位,并创新提出 “耐看、耐脏、耐磨”耐用价值体系——这不仅是对产品性能的重新定义,更是对当代人居需求的深度回应。

为系统性解决用户在真实生活场景中面临的审美疲劳、清洁困扰与磨损焦虑,大将军同步成立 “耐用科技研发中心”,将研发重心从“花色设计”转向“全周期使用体验”,真正实现从“卖一片砖”到“交付一套经得起时间考验的生活方案”的战略跃迁。

高级哑发布:5A标准下功能美学典范
10月重磅发布的 【高级哑】系列新品,不仅全面满足国家5A级陶瓷砖在强度、防滑、抗污等方面的严苛要求,更在美学维度实现突破性创新:融合金丝绒釉、复刻釉、超细干粒三大核心工艺;独创8°、18°、38°三级光感调控系统,于毫厘之间精研质感,在光影流转中驾驭空间情绪;实现纹理更细腻、触感更温润、视觉更具层次的沉浸式体验,让瓷砖不再是冰冷的建材,而是承载生活温度与品位的载体。

正如刘小磊总经理所言:“用户要的不是一个材料,而是一个家。5A的意义,是帮他们做‘不后悔’的长期决策。”【高级哑】系列,正是对这一诉求的精准回应,真正达成 “高颜值”与“高性能”的完美融合,重新定义高级空间的质感边界。



权威认可:品牌实力获多方背书
多年来,大将军瓷砖以扎实的技术积累、持续的创新投入和对品质的极致追求,先后斩获“全球陶瓷企业30强”“中国国检检验标识授权证书”“2024年中国轻工陶瓷行业数字化转型先进企业”“年度家居领军品牌”“科技成果创新领先品牌”等荣誉,这些殊荣不仅是品牌发展的高光印记,更是业内外对大将军实力与价值的高度肯定。


与此同时,大将军已通过多项国际权威产品认证,累计获得近200项国家专利,持续夯实5A品质的技术根基。从标准践行到技术突破,从智能工厂到用户口碑,大将军瓷砖正以系统化、可持续的硬核实力,筑牢中国建陶高质量发展的品牌基石。
结语
新国标5A的实施,不是制造焦虑,而是重建信任;不是设置门槛,而是照亮方向。它让“好瓷砖”有了清晰的标准,也让那些沉下心来打磨产品、坚守长期主义的品牌,终被看见、被认可、被选择。大将军瓷砖始终相信:真正的品质,经得起时间检验,也配得上用户托付。
免责声明:市场有风险,选择需谨慎!此文仅供参考,不作买卖依据。
责任编辑:kj015
近日,TVB职场爆款续作《新闻女王2》在优酷热血开播,微博#新闻女王2#话题迅速冲破2.5亿阅读量,相关讨论量超50万,屏幕里职场女性专业干练的拼搏身影,与东鹏...
在国家全面推进质量强国建设、加快消费品标准升级的背景下,陶瓷砖行业迎来历史性变革这是我国首次在陶瓷砖领域建立 3A、4A、5A三级质量分级体系,终结长期以来&l...
2025年11月17日,北京城市图书馆银杏谷暖意流淌,书香弥漫活动由北京广播电视台主持人李杨薇主持大家领航,深掘运河文化底蕴2025年,“大运河文化...
中国首例!脑机接口脑深部刺激器美敦力(Percept™ RC)植入手术在合肥圆满完成11月20日,合肥华安脑科医院成功实施中国首例临床级脑机接口(B...
2025年11月9日,春城昆明秋高气爽,中国抗癌协会选择性内照射整合专业委员会成立大会暨首届学术年会在2025CCHIO大会期间圆满召开此次选择性内照射整合专业...
2025年11月19日,被誉为健康营养行业发展“风向标”的NHNE中国国际健康营养博览会于南京成功举办会议期间特别设置新专家授牌仪式,T...
作为一名肠胃敏感的人,我很注重厨房卫生作为300年中华老字号,王麻子不仅是《厨用刀具》国家标准制定单位,也是国家级非物质文化遗产最终我入手了抗菌系列&middo...